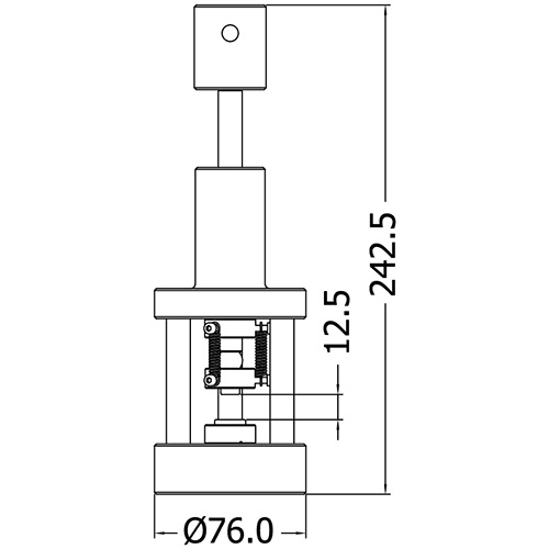
■ガラス用リングクラッシュグリップ 型式:GR-N010
| 容量 | 1kN |
| ジョーフェース幅 | 上圧縮盤Ø 9.5 mm | 下圧縮盤Ø 15.5 mm |
| 試験片使用サイズ | 18x18 mm |
| 最小荷重元 | 100N |
| 適用湿度 | 0~100°C |
| 重量 | 2235g/個 |
| 対応するサンプル例 | ガラス試験片向け |
| サポートする標準試験 |
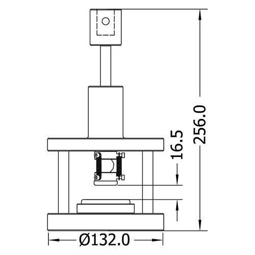
■ガラス用リングクラッシュグリップ 型式:GR-N01A
| 容量 | 1kN |
| ジョーフェース幅 | 上圧縮盤Ø 22.86 mm | 下圧縮盤Ø 52.07 mm |
| 試験片使用サイズ | 55x55mm |
| 最小荷重元 | 200N |
| 適用湿度 | 0~100°C |
| 重量 | 5420.5g/個 |
| 対応するサンプル例 | ガラス試験片向け |
| サポートする標準試験 |
■ガラス用リングクラッシュグリップ 型式:GR-N01B
| 容量 | 2kN |
| ジョーフェース幅 | 上圧縮盤Ø 17.4 mm | 下圧縮盤Ø 35 mm |
| 試験片使用サイズ | 55x55mm |
| 最小荷重元 | 200N |
| 適用湿度 | 0~100°C |
| 重量 | 5277g/セット |
| 対応するサンプル例 | ガラス試験片向け |
| サポートする標準試験 |
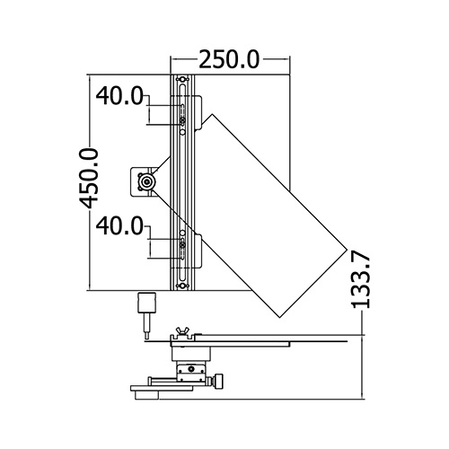
■ガラス単点曲げグリップ 型式:GR-N020
| 容量 | 2kN |
| ジョーフェース幅 | 400x200mm |
| 試験片使用サイズ | 厚さ0.6mm |
| 最小荷重元 | 100N |
| 適用湿度 | 0~100°C |
| 重量 | 7202g/個 |
| 対応するサンプル例 | ガラス試験片向け |
| サポートする標準試験 |
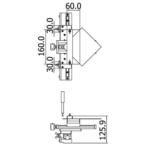
■単点曲げ試験グリップ 型式:GR-N02A
| ジョーフェース幅 | 127x127mm |
| 試験片使用サイズ | 厚度大於0.5mm |
| 最小荷重元 | 100N |
| 適用湿度 | 0~100°C |
| 重量 | 5827g/組 |
| 対応するサンプル例 | ガラス試験片向け |
| サポートする標準試験 |