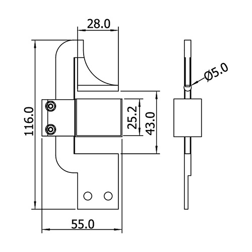
■ウェット式引張グリップ 型式:GR-M01A
| 容量 | 1kN |
| ジョーフェース幅 | 25mm |
| 試験片使用サイズ | 長さ最低 230mm |
| 最小荷重元 | 50N |
| 適用湿度 | 0~100°C |
| 重量 | 下グリップ 1140g |
| 対応する試験規格 | TAPPI T456 ISO 3781 ISO 12625-5 ASTM D824 |
| 対応するサンプル例 | やや濡れたペーパーやティッシュなどの引張向け |
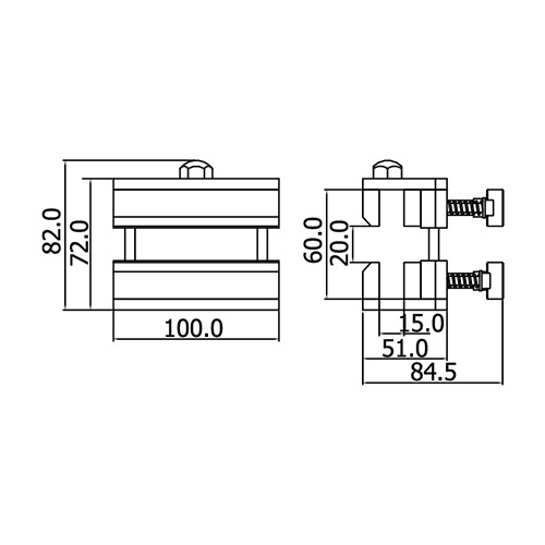
■厚紙ショートスパン圧縮治具(SCT) 型式:GR-M020
| 容量 | 2kN |
| ジョーフェース幅 | 30x30mm |
| 試験片使用サイズ | 寬 16mm |
| 最小荷重元 | 200N |
| 適用湿度 | 0~100°C |
| 重量 | 4637g/個 |
| 対応する試験規格 | TAPPI T826 ISO 9895 BS EN 54518 |
| 対応するサンプル例 | 幅、厚さが5以下の箱板紙、原紙 |
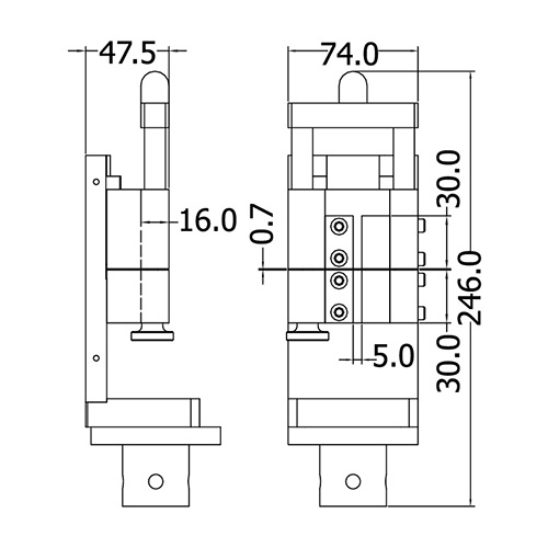
■エッジ強度治具(ECT) 型式:GR-M030
| 容量 | |
| ジョーフェース幅 | |
| 試験片使用サイズ | 厚さ 1~14mm | 高さ 20mm | 最大圧縮距離 20mm |
| 最小荷重元 | |
| 適用湿度 | |
| 重量 | 675g/個 |
| 対応する試験規格 | TAPPI T811 DIN EN ISO 3037 |
| 対応するサンプル例 | 紙箱、原紙試験向け |
■段ボール粘着強度治具 型式:GR-M040
| 試験片使用サイズ | 50 x 160mm |
| 針直径 | 0 Ø2mm | A Ø3mm | B Ø3.5mm |
| 針幅 | 0 12mm | A 15mm | B 17.6mm |
| 重量 | 0 714g | A 787g | B 807g |
| 対応する試験規格 | TAPPI T821 |
| 対応するサンプル例 | 段ボール表面と芯部との粘着度合確認試験向け |