万能試験機 | グリップ・治具 | Lシリーズ

■弾力性グリップ 型式:GR-L010

容量 10N
ジョーフェース幅 9mm
試験片使用サイズ 厚さ0.1~2mm
最小荷重元 10N
適用湿度 0~100°C
重量 35g/個
対応するサンプル例 軟質で片状材料、適用於軟質片狀材料、剥離紙の剥離試験向け
サポートする標準試験 ASTM D1000 ASTM D3330  テープ剥離試験

■ピンチグリップ 型式:GR-L020

容量 10N
ジョーフェース幅 20mm
試験片使用サイズ 厚さ0.1~9mm
最小荷重元 10N
適用湿度 0~100°C
重量 123g/個
対応するサンプル例 プラスチック、紙試験片向け

■ボタングリップ 型式:GR-L030

容量 300N
ジョーフェース幅  
試験片使用サイズ 直径Ø 5~15mm
最小荷重元 200N
適用湿度 0~200°C
重量 上グリップ 925g | 下グリップ 3468g
対応するサンプル例 ボタン引張試験向け

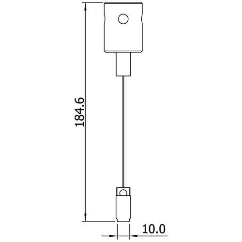
■フックグリップ 型式:GR-L040

容量 100N
ジョーフェース幅 フック直径 3.2mm 
試験片使用サイズ  
最小荷重元  
適用湿度  
重量 4.6g/個
対応するサンプル例  

■フックグリップ 型式:GR-L04A

容量 100N
ジョーフェース幅 フック直径 6mm
試験片使用サイズ  
最小荷重元  
適用湿度  
重量 20g/個
対応するサンプル例  

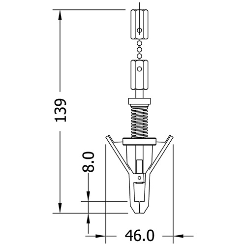
■クリップグリップ 型式:GR-L050

容量 10N
ジョーフェース幅 10mm
試験片使用サイズ  
最小荷重元  50N
適用湿度  0~200°C
重量 68g/個
対応するサンプル例