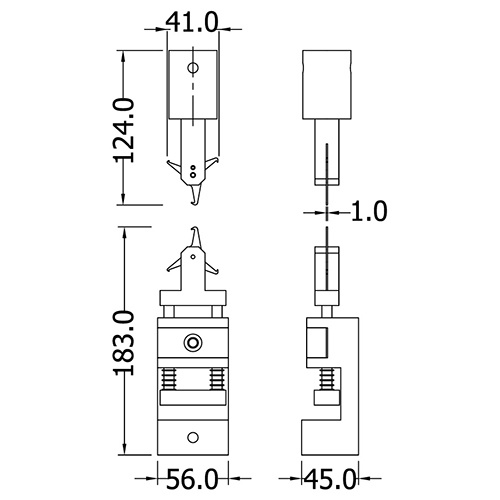
■チャックグリップ 型式:GR-K010
| 容量 | 500N |
| ジョーフェース幅 | 50mm |
| 試験片使用サイズ | 厚さ0.5~4mm |
| 最小荷重元 | 50N |
| 適用湿度 | -30~200°C |
| 重量 | 1727g/個 |
| 対応する試験規格 | ASTM D2061 |
| 対応するサンプル例 | チャック試験向け |
■引張コイルグリップ 型式:GR-K020
| 容量 | 200N |
| 試験片使用サイズ | 線径Ø 0.5~2.5mm |
| 最小荷重元 | 20N |
| 適用湿度 | -10~200°C |
| 重量 | 上グリップ 470g | 下グリップ 1748g |
| 対応するサンプル例 | バネ業 |
■引張コイルグリップ 型式:GR-K02A
| 容量 | 500N |
| 試験片使用サイズ | 線径Ø 3.0~6.0mm |
| 最小荷重元 | 50N |
| 適用湿度 | -10~200°C |
| 重量 | 上グリップ 620g | 下グリップ 1804g |
| 対応するサンプル例 | バネ業 |
■引張コイルグリップ 型式:GR-K02B
| 容量 | 1kN |
| 試験片使用サイズ | 直径 3~6mm |
| 最小荷重元 | 100N |
| 適用湿度 | -10~200°C |
| 重量 | 上グリップ: 634g | 下グリップ: 1597g |
| 対応するサンプル例 | バネ業 |
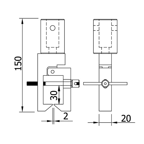
■ピンチグリップ 型式:GR-K030
| 容量 | 500N |
| ジョーフェース幅 | 25.4mm |
| 試験片使用サイズ | 厚さ0.2~5mm |
| 最小荷重元 | 20N |
| 適用湿度 | -10~200°C |
| 重量 | 195g/個 |
| 対応するサンプル例 | 軟質で片状の材料や小さめの試験片向け |
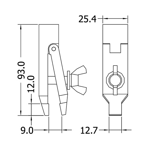
■ピンチグリップ 型式:GR-K03A
| 容量 | 500N |
| ジョーフェース幅 | 12.7mm |
| 試験片使用サイズ | 厚さ0.2~5mm |
| 最小荷重元 | 20N |
| 適用湿度 | 0~100°C |
| 重量 | 700g/個 |
| 対応するサンプル例 | 軟質で片状の材料や小さめの試験片向け |
■小型ピンチグリップ 型式:GR-K03B
| 容量 | 200N |
| ジョーフェース幅 | 12mm |
| 試験片使用サイズ | 厚さ0.2~3mm |
| 最小荷重元 | 10N |
| 適用湿度 | -10~200°C |
| 重量 | 54g/個 |
| 対応するサンプル例 | 軟質で片状の材料や小さめの試験片向け |
■ピンチグリップ 型式:GR-K03C
| 容量 | 500N |
| ジョーフェース幅 | 25.4mm |
| 試験片使用サイズ | 厚さ 0.2~5mm |
| 最小荷重元 | 100N |
| 適用湿度 | -10~200°C |
| 重量 | 200g/個 |
| 対応するサンプル例 | 軟質で片状材料や小さめの試験片向け |
■端子グリップ 型式:GR-K040
| 容量 | 500N |
| ジョーフェース幅 | 20mm |
| 試験片使用サイズ | 厚さ 0.2~3mm |
| 最小荷重元 | 50N |
| 適用湿度 | 0~100°C |
| 重量 | 827g/個 |
| 対応するサンプル例 | 端子接続引張試験向け |