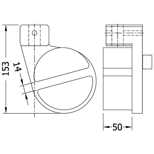
| 容量 |
10kN |
| ジョーフェース幅 |
50mm |
| 試験片使用サイズ |
厚さ0.5~4mm |
| 最小荷重元 |
2kN |
| 適用湿度 |
0~100°C |
| 重量 |
4900g/個 |
| 対応する試験規格 |
ASTM D5034 ASTM D5035 |
| 対応するサンプル例 |
ベルト、線状試験片向け |
| サポートする標準試験 |
|
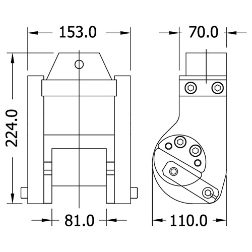
| 容量 |
20kN |
| ジョーフェース幅 |
81mm |
| 試験片使用サイズ |
厚さ0.5~3mm |
| 最小荷重元 |
2kN |
| 適用湿度 |
-30~200°C |
| 重量 |
11975g/個 |
| 対応する試験規格 |
ASTM D5034 ASTM D5035 |
| 対応するサンプル例 |
ベルト、線状試験片向け |
| サポートする標準試験 |
|
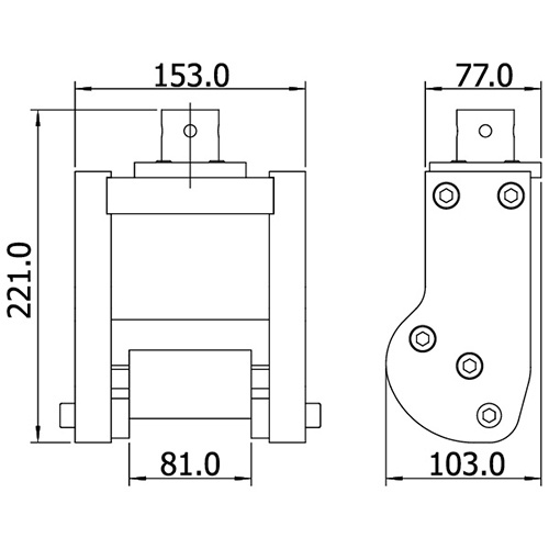
| 容量 |
50kN |
| ジョーフェース幅 |
81mm |
| 試験片使用サイズ |
厚さ0.5~3mm |
| 最小荷重元 |
2kN |
| 適用湿度 |
-30~200°C |
| 重量 |
15960g/個 |
| 対応する試験規格 |
ASTM D5034 ASTM D5035 |
| 対応するサンプル例 |
ベルト、線状試験片向け |
| サポートする標準試験 |
|
| 容量 |
200kN |
| ジョーフェース幅 |
88mm |
| 試験片使用サイズ |
厚さ 0.5~3mm |
| 最小荷重元 |
2kN |
| 適用湿度 |
-30~200°C |
| 重量 |
25731g/個 |
| 対応する試験規格 |
|
| 対応するサンプル例 |
ベルト |
| サポートする標準試験 |
|