■空気圧式平面グリップ 型式:GR-H010
| 容量 | 100N |
| 試験片使用サイズ | 厚さ0.1~3mm |
| 最小荷重元 | 20N |
| 適用湿度 | -10~60°C |
| 重量 | 480g/個 |
| ジョーフェース幅 | 30mm |
| ジョーフェースタイプ | |
| 対応するサンプル例 | プラスチック片、線材、紙類試験片向け |
| サポートする標準試験 | ASTM D882 フィルム引張試験 ASTM D638 プラスチック引張試験 ASTM D412 ゴム試験 |
■空気圧式平面グリップ 型式:GR-H020
| 容量 | 20N |
| 試験片使用サイズ | 厚さ0.1~3mm |
| 最小荷重元 | 20N |
| 適用湿度 | -10~60°C |
| 重量 | 197g/個 |
| ジョーフェース幅 | 16mm |
| ジョーフェースタイプ | |
| 対応するサンプル例 | プラスチック片、線材試験片向け |
| サポートする標準試験 | ASTM D882 フィルム引張試験 |
■空気圧式糸グリップ 型式:GR-H040
| 容量 | 1kN |
| 試験片使用サイズ | 線径Ø 0.1~4mm |
| 最小荷重元 | 200N |
| 適用湿度 | -10~60°C |
| 重量 | 2503g/個 |
| ジョーフェース幅 | |
| ジョーフェースタイプ | |
| 対応する試験規格 | ASTM D2256 |
| 対応するサンプル例 | 釣り糸、高強度ナイロン試験片向け |
| サポートする標準試験 |
■空気圧式糸グリップ 型式:GR-H04A
| 容量 | 3kN |
| 試験片使用サイズ | 線径Ø 0.1~6mm |
| 最小荷重元 | 200N |
| 適用湿度 | -10~60°C |
| 重量 | 9033g/個 |
| ジョーフェース幅 | |
| ジョーフェースタイプ | |
| 対応する試験規格 | ASTM D2256 |
| 対応するサンプル例 | 釣り糸、高強度ナイロン試験片向け |
| サポートする標準試験 |
■片辺調節可能空気圧式グリップ 型式:GR-H090
| 容量 | 2kN |
| 試験片使用サイズ | 厚さ0.1~30mm |
| 最小荷重元 | 200N |
| 適用湿度 | 0~100°C |
| 重量 | 4058g/個 |
| ジョーフェース幅 | 60mm |
| ジョーフェースタイプ | |
| 対応する試験規格 | |
| 対応するサンプル例 | 布類、ペーパー、レーザー、ゴム・プラスチック材料試験片向け |
| サポートする標準試験 |
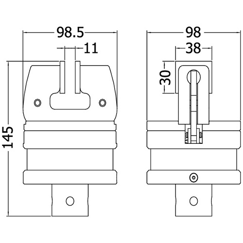
■小型空気圧式グリップ 型式:GR-H110
| 容量 | 500N |
| 試験片使用サイズ | 厚さ0.1~10mm |
| 最小荷重元 | 100N |
| 適用湿度 | 0~100°C |
| 重量 | 1347g/個 |
| ジョーフェース幅 | 38mm |
| ジョーフェースタイプ | |
| 対応する試験規格 | |
| 対応するサンプル例 | 布類、ペーパー、レーザー、ゴム・プラスチックの材料試験片向け |
| サポートする標準試験 | ASTM D882 フィルム引張試験 |
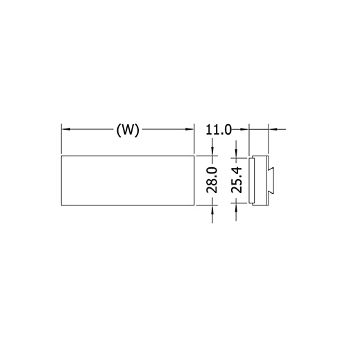
■空気圧式グリップ 型式:GR-H13A〜C
| 容量 | 1kN |
| 試験片使用サイズ | 厚さ 0.1~12mm |
| 最小荷重元 | 200N |
| 適用湿度 | -10~60°C |
| 重量 | 3226g/個 |
| ジョーフェース幅 | A: 76.2mm | B: 50.8mm | C: 25.4mm |
| ジョーフェースタイプ | 金属格子模様 |
| 対応する試験規格 | |
| 対応するサンプル例 | 布類、ペーパー、レーザー、ゴム・プラスチックの材料試験片向け |
| サポートする標準試験 | ASTM D882 フィルム引張試験 |
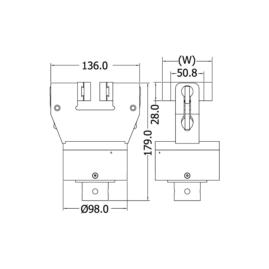
■空気圧式グリップ 型式:GR-H13D〜F
| 容量 | 1kN |
| 試験片使用サイズ | 厚さ0.1~12mm |
| 最小荷重元 | 200N |
| 適用湿度 | -10~60°C |
| 重量 | 3226g/個 |
| ジョーフェース幅 | D: 76.2mm | E: 50.8mm | F: 25.4mm |
| ジョーフェースタイプ | ゴムパッド |
| 対応する試験規格 | |
| 対応するサンプル例 | 布類、ペーパー、レーザー、ゴム・プラスチック試験片向け |
| サポートする標準試験 | ASTM D882 フィルム引張試験 |
■空気圧式グリップ 型式:GR-H13G〜I
| 容量 | 1kN |
| 試験片使用サイズ | 厚さ 11~22mm |
| 最小荷重元 | 200N |
| 適用湿度 | -10~60°C |
| 重量 | 3226g/個 |
| ジョーフェース幅 | G: 76.2mm | H: 50.8mm | I: 25.4mm |
| ジョーフェースタイプ | 金属格子模様 |
| 対応する試験規格 | |
| 対応するサンプル例 | 布類、ペーパー、レーザー、ゴム・プラスチックの材料片試験向け |
| サポートする標準試験 | ASTM D882 フィルム引張試験 |
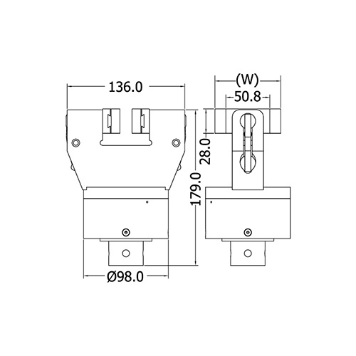
■空気圧式グリップ 型式:GR-H13J〜L
| 容量 | 1kN |
| 試験片使用サイズ | 厚さ 11~22mm |
| 最小荷重元 | 200N |
| 適用湿度 | -10~60°C |
| 重量 | 3226g/個 |
| ジョーフェース幅 | J: 76.2mm | K: 50.8mm | L: 25.4mm |
| ジョーフェースタイプ | ゴムパッド |
| 対応する試験規格 | |
| 対応するサンプル例 | 布類、ペーパー、レーザー、ゴム・プラスチックの材料試験片向け |
| サポートする標準試験 | ASTM D882 フィルム引張試験 |
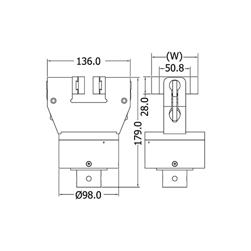
■空気圧式グリップ 型式:GR-H17A〜C
| 容量 | 5kN |
| 試験片使用サイズ | 厚さ 0.5~12mm |
| 最小荷重元 | 1kN |
| 適用湿度 | -10~60°C |
| 重量 | 7900g/個 |
| ジョーフェース幅 | A: 76.2mm | B: 50.8mm | C: 25.4mm |
| ジョーフェースタイプ | 金属格子模様 |
| 対応する試験規格 | |
| 対応するサンプル例 | ゴム・プラスチック試験向け |
| サポートする標準試験 |
■空気圧式グリップ 型式:GR-H17D〜F
| 容量 | 5kN |
| 試験片使用サイズ | 厚さ 0.5~12mm |
| 最小荷重元 | 1kN |
| 適用湿度 | -10~60°C |
| 重量 | 7900g/個 |
| ジョーフェース幅 | D: 76.2mm | E: 50.8mm | F: 25.4mm |
| ジョーフェースタイプ | ゴムパッド |
| 対応する試験規格 | |
| 対応するサンプル例 | ゴム・プラスチック試験向け |
| サポートする標準試験 |
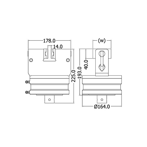
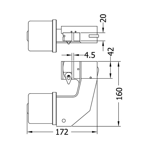
■空気圧式クサビグリップ 型式:GR-H31A/B
| 容量 | 10kN |
| 試験片使用サイズ | A: 厚度 0.1~11mm | B: 厚度 10~21mm |
| 最小荷重元 | 1kN |
| 適用湿度 | 0~40°C |
| 重量 | 6158g |
| ジョーフェース幅 | 40mm |
| ジョーフェースタイプ | |
| 対応する試験規格 | |
| 対応するサンプル例 | 変形率大やエネルギー大の試験片向け |
| サポートする標準試験 |
■空気圧式クサビグリップ 型式:GR-H31F/G
| 容量 | 10kN |
| 試験片使用サイズ | F: Ø 7~17mm | G: Ø 16~26mm |
| 最小荷重元 | 1kN |
| 適用湿度 | 0~40°C |
| 重量 | 6158g |
| ジョーフェース幅 | 40mm |
| ジョーフェースタイプ | |
| 対応する試験規格 | |
| 対応するサンプル例 | 変形率大やエネルギー大の試験片向け |
| サポートする標準試験 |