| 容量 |
10kN |
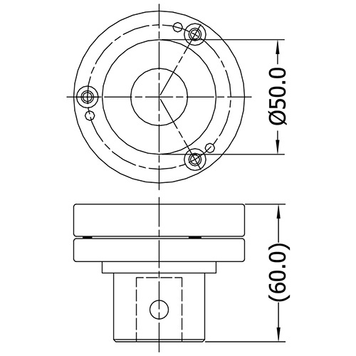
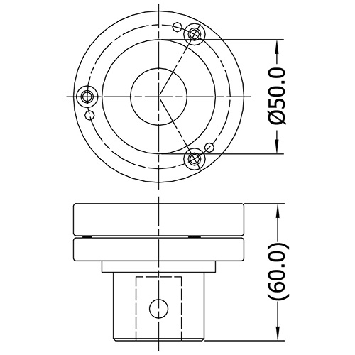
| 円盤直径 |
50mm |
| 最小荷重元 |
50N |
| 適用湿度 |
-70~200°C |
| 重量 |
400g/個 |
| 対応するサンプル例 |
ボトル容器、脆性材料試験向け |
| 容量 |
20kN |
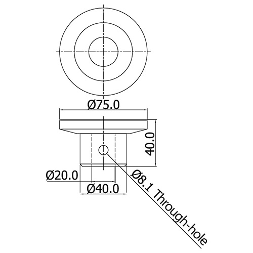
| 円盤直径 |
130mm |
| 最小荷重元 |
200N |
| 適用湿度 |
-70~200°C |
| 重量 |
1825g/個 |
| 対応するサンプル例 |
ボトル容器、脆性材料試験向け |
| 容量 |
20kN |
| 円盤直径 |
75mm |
| 最小荷重元 |
100N |
| 適用湿度 |
-70~200°C |
| 重量 |
717g/個 |
| 対応するサンプル例 |
ボトル容器、脆性材料試験向け |
| 容量 |
20kN |
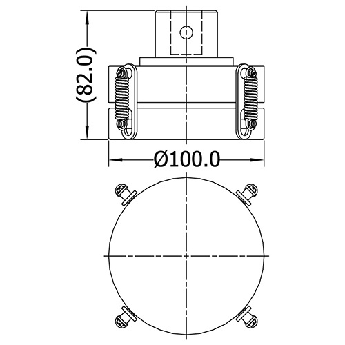
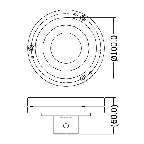
| 円盤直径 |
100mm |
| 最小荷重元 |
200N |
| 適用湿度 |
-70~200°C |
| 重量 |
1182g/個 |
| 対応するサンプル例 |
ボトル容器、脆性材料試験向け |
| 容量 |
20kN |
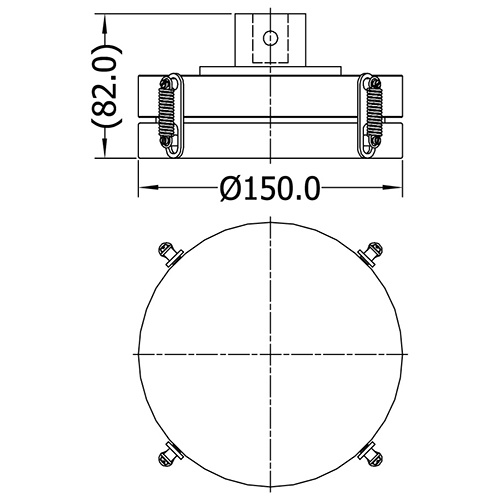
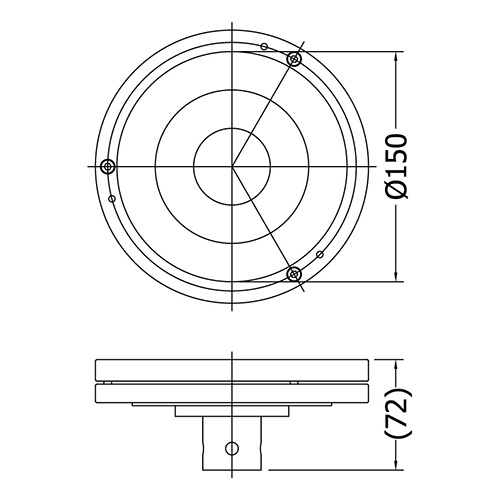
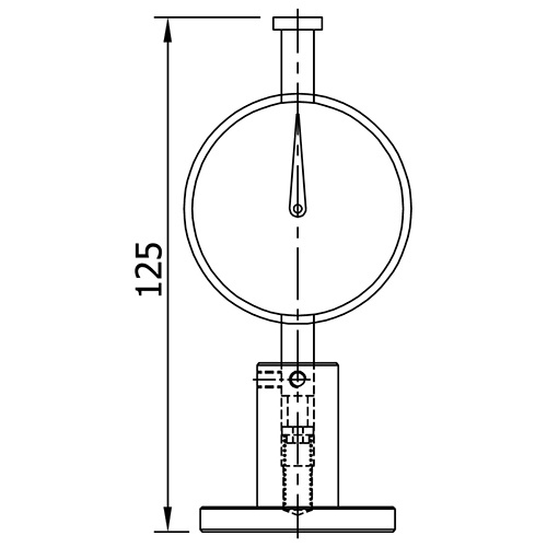
| 円盤直径 |
150mm |
| 最小荷重元 |
500N |
| 適用湿度 |
-70~200°C |
| 重量 |
2403g/個 |
| 対応するサンプル例 |
ボトル容器、脆性材料試験向け |
| 容量 |
5kN |
| 円盤直径 |
50mm |
| 最小荷重元 |
500N |
| 適用湿度 |
-70~100°C |
| 重量 |
1096g/個 |
| 対応するサンプル例 |
適用於彈簧、泡綿測試 |
| 容量 |
5kN |
| 円盤直径 |
75mm |
| 最小荷重元 |
500N |
| 適用湿度 |
-70~200°C |
| 重量 |
1772g/個 |
| 対応するサンプル例 |
バネ、スポンジ試験向け |
| 容量 |
10kN |
| 円盤直径 |
100mm |
| 最小荷重元 |
500N |
| 適用湿度 |
-70~200°C |
| 重量 |
2685g/個 |
| 対応するサンプル例 |
バネ、スポンジ試験向け |
| 容量 |
5kN |
| 円盤直径 |
150mm |
| 最小荷重元 |
500N |
| 適用湿度 |
-70~200°C |
| 重量 |
5614g/個 |
| 対応するサンプル例 |
バネ、スポンジ試験向け |
| 容量 |
5kN |
| 円盤直径 |
200mm |
| 最小荷重元 |
500N |
| 適用湿度 |
-70~200°C |
| 重量 |
13625g/個 |
| 対応するサンプル例 |
バネ、スポンジ試験向け |
| 容量 |
20kN |
| 円盤直径 |
100mm |
| 最小荷重元 |
500N |
| 適用湿度 |
-10~100°C |
| 重量 |
3269g/個 |
| 対応するサンプル例 |
建築材料、各類包装資材の試験向け |
| 容量 |
20kN |
| 円盤直径 |
150mm |
| 最小荷重元 |
500N |
| 適用湿度 |
-10~100°C |
| 重量 |
3269g/個 |
| 対応するサンプル例 |
コンクリート建築材料、各類包装資材などの試験向け |
| 容量 |
500N |
| 円盤直径 |
50mm |
| 最小荷重元 |
|
| 適用湿度 |
-10~200°C |
| 重量 |
1060g/個 |
| 対応するサンプル例 |
適用於彈簧、泡棉等測試 バネ、スポンジ試験片向け |
| 容量 |
5kN |
| 円盤直径 |
75mm |
| 最小荷重元 |
|
| 適用湿度 |
-10~100°C |
| 重量 |
4466g/個 |
| 対応するサンプル例 |
バネ、スポンジ試験片向け |
| 容量 |
5kN |
| 円盤直径 |
130mm (使用範囲100mm) |
| 最小荷重元 |
|
| 適用湿度 |
-10~100°C |
| 重量 |
4435.5g/個 |
| 対応するサンプル例 |
バネ、スポンジ試験 |
| 容量 |
5kN |
| 円盤直径 |
150mm |
| 最小荷重元 |
|
| 適用湿度 |
-10~100°C |
| 重量 |
7973g/個 |
| 対応するサンプル例 |
バネ、スポンジ試験向け |
| 容量 |
|
| 円盤直径 |
有効範囲 105~125mm |
| 最小荷重元 |
有効範囲 20mm |
| 適用湿度 |
0~100°C |
| 重量 |
192g/個 |
| 対応するサンプル例 |
バネ、スポンジ試験片向け |
| 容量 |
|
| 円盤直径 |
|
| 最小荷重元 |
|
| 適用湿度 |
|
| 重量 |
|
| 対応するサンプル例 |
紙類 |