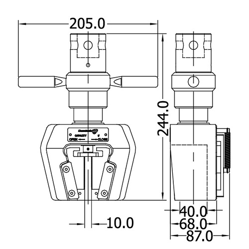
■クサビグリップ 型式:GR-F010
| 容量 | 10kN |
| ジョーフェース幅 | 30mm |
| 試験片使用サイズ | Aグリップ表面 厚さ 0.1~10mm Bグリップ表面 厚さ 9~18mm Fグリップ表面 直径Ø 6~14mm Gグリップ表面 直径Ø 13~20mm |
| 最小荷重元 | 1kN |
| 適用湿度 | -10~200°C |
| 重量 | 5375g/個 |
| 対応サンプル例 | A/Bは金属片、金属線、プラスチック、高引張材料試験向け。 F/G丸棒状金属、丸棒状プラスチック、丸棒状やチューブ状試験片向け。 |
| アプリケーション | ASTM D638 プラスチック引張試験 |
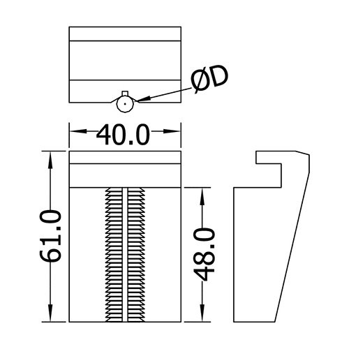
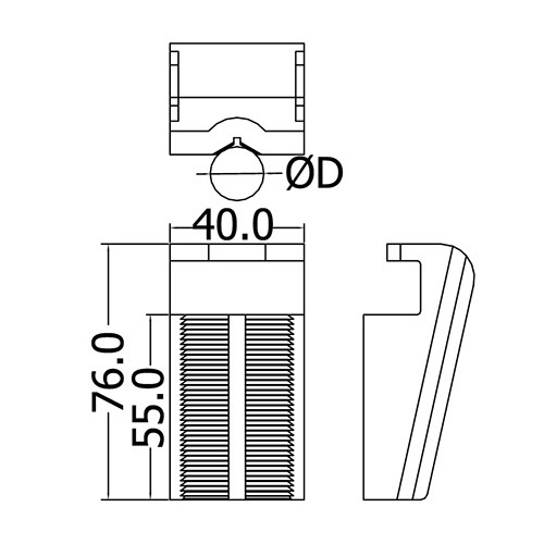
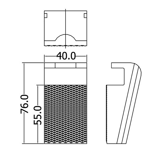
■クサビグリップ 型式:GR-F020
| 容量 | 50kN |
| ジョーフェース幅 | 40mm |
| 試験片使用サイズ | A夾面 厚度 0.2~11mm B夾面 厚度 10~21mm F夾面 直徑Ø 7~17mm G夾面 直徑Ø 16~26mm |
| 最小荷重元 | 5kN |
| 適用湿度 | -10~200°C |
| 重量 | 10163g/個 |
| 対応サンプル例 | A/Bグリップ表面は硬質線材、板材向け。 F/Gグリップ表面は丸棒状金属、丸棒状プラスチック、丸棒状やチューブ状試験片向け。 |
| アプリケーション | ASTM D638 プラスチック引張試験 |
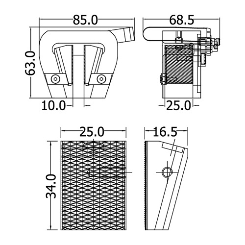
■クサビグリップ 型式:GR-F030
| 容量 | 100kN |
| ジョーフェース幅 | 46mm |
| 試験片使用サイズ | Aグリップ表面 厚さ 1~11mm Bグリップ表面 厚さ 10~19mm Cグリップ表面 厚さ 19~30mm Fグリップ表面 直径Ø 8~17mm Gグリップ表面 直径Ø 16~25mm Hグリップ表面 直径Ø 24~33mm |
| 最小荷重元 | 10kN |
| 適用湿度 | -10~200°C |
| 重量 | 17522g/個 |
| 対応サンプル例 | A/B/Cグリップ表面は線材、板材試験向け。 F/G/Hブリップ表面は丸棒状金属、丸棒状プラスチック、丸棒状やチューブ状試験片向け。 |
■クサビグリップ 型式:GR-F040
| 容量 | 200kN |
| ジョーフェース幅 | 46mm |
| 試験片使用サイズ | Aグリップ表面 厚さ 0.5~11mm Bグリップ表面 厚さ 10~19mm Cグリップ表面 厚さ19~30mm Fグリップ表面 直径Ø 9~17mm Gグリップ表面 直径Ø 16~25mm Hグリップ表面 直径Ø 24~33mm |
| 最小荷重元 | 20kN |
| 適用湿度 | -10~200°C |
| 重量 | 19150g/個 |
| 対応サンプル例 | A/B/Cグリップ表面は線材、板材試験向け。 F/G/Hグリップ表面は丸棒状金属、丸棒状プラスチック、丸棒状やチューブ試験片向け。 |
■クサビグリップ 型式:GR-F050
| 容量 | 300kN |
| ジョーフェース幅 | 50mm |
| 試験片使用サイズ | Aグリップ表面厚さ 1~11mm Bグリップ表面厚さ10~20mm Cグリップ表面厚さ 10~30mm Fグリップ表面直径Ø 10~20mm Gグリップ表面直径Ø 19~29mm |
| 最小荷重元 | 20kN |
| 適用湿度 | 0~100°C |
| 重量 | 21000g/個 |
| 対応サンプル例 | A/B/C表面は金属線、金属板試験向け。 F/G丸棒状金属、丸棒状プラスチック試験向け。 |
■クサビグリップ 型式:GR-F060
| 容量 | 500kN |
| ジョーフェース幅 | 50mm |
| 試験片使用サイズ | Aグリップ表面 厚さ 1~11mm Bグリップ表面 厚さ 10~20mm Fグリップ表面 直径Ø 10~20mm Gグリップ表面 直径Ø 19~29mm |
| 最小荷重元 | 30kN |
| 適用湿度 | 0~100°C |
| 重量 | 54000g/個 |
| 対応サンプル例 | A/B/Cグリップ表面は金属線、金属板試験向け。 F/G丸棒状金属、丸棒状プラスチック試験向け。 |
■クサビグリップ 型式:GR-F130
| 容量 | 1kN |
| ジョーフェース幅 | 15mm |
| 試験片使用サイズ | 厚さ0.1~4mm |
| 最小荷重元 | 20N |
| 適用湿度 | 0~100°C |
| 重量 | 264g/個 |
| 対応サンプル例 | 軟質プラスチック、軟質金属片、軟質金属棒材向け |
■クサビグリップ 型式:GR-F140
| 容量 | 5kN |
| ジョーフェース幅 | 25mm |
| 試験片使用サイズ | 厚さ 1~10mm |
| 最小荷重元 | 50N |
| 適用湿度 | 0~100°C |
| 重量 | 976g/個 |
| 対応サンプル例 | 軟質プラスチック片、軟質金属片、軟質金属棒材 |
| アプリケーション | ASTM D638 プラスチック引張試験 ASTM D412 ゴム試験 |
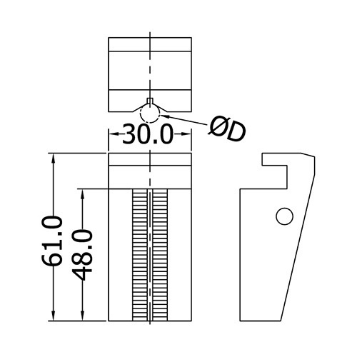
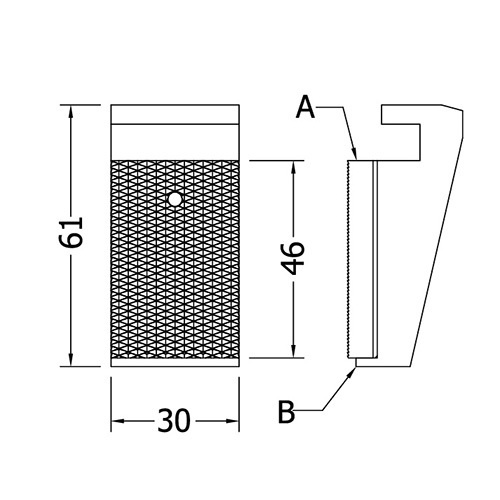
■クサビグリップ 型式:GR-F220
| 容量 | 25kN |
| ジョーフェース幅 | 40mm |
| 試験片使用サイズ | A夾面 厚度 0.2~10mm Bグリップ表面 厚さ 9~18mm Fグリップ表面 直径Ø 6~14mm Gグリップ表面 直径Ø 13~20mm |
| 最小荷重元 | 2kN |
| 適用湿度 | 0~100°C |
| 重量 | 8207g/個 |
| 対応サンプル例 | A/Bグリップ表面は金属片、金属線、プラスチック、高引張材料向け。 F/G丸棒状金属、丸棒状プラスチック、棒状やチューブ試験片向け。 |
| アプリケーション | ASTM D638 プラスチック引張試験 |
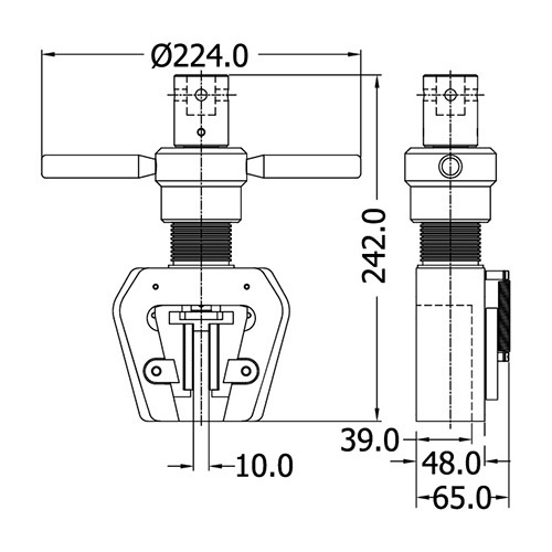
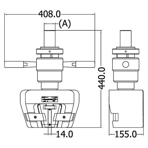
■槓桿式クサビグリップ 型式:GR-F3A03
| 容量 | 25kN |
| ジョーフェース幅 | 40mm |
| 試験片使用サイズ | Aグリップ表面 厚さ 0.2~11mm Bグリップ表面 厚さ 10~21mm Fグリップ表面 直径Ø 7~17mm Gグリップ表面 直径Ø 16~26mm |
| 最小荷重元 | 2kN |
| 適用湿度 | -10~200°C |
| 重量 | 8207g/個 |
| 対応サンプル例 | 金属片、金属線、プラスチック、高引張材料試験向け |
■槓桿式クサビグリップ 型式:GR-F3203
| 容量 | 50kN |
| ジョーフェース幅 | 40mm |
| 試験片使用サイズ | Aグリップ表面 厚さ 0.2~11mm Bグリップ表面 厚さ 7~20mm Fグリップ表面 直径Ø 7~17mm Gグリップ表面 直径Ø 16~26mm |
| 最小荷重元 | 5kN |
| 適用湿度 | -10~200°C |
| 重量 | 10163g/個 |
| 対応サンプル例 | 金属片、金属線、プラスチック、高引張材料試験向け |
■槓桿式クサビグリップ 型式:GR-F3304
| 容量 | 100kN |
| ジョーフェース幅 | 46mm |
| 試験片使用サイズ | A夾面 厚度 1~11mm Bグリップ表面 厚さ 6~18mm Fグリップ表面 直径Ø 7~17mm Gグリップ表面 直径Ø 16~26mm |
| 最小荷重元 | 10kN |
| 適用湿度 | -10~200°C |
| 重量 | 17500g/個 |
| 対応サンプル例 | 金属片、金属線、プラスチック、高引張材料試験向け |
| アプリケーション | ASTM D638 プラスチック引張試験 |