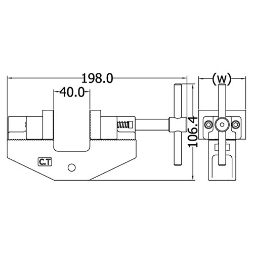
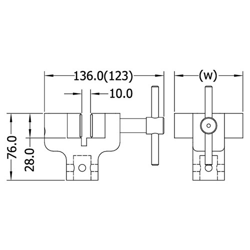
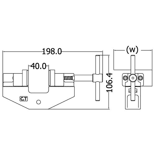
■鋸歯状グリップ 型式:GR-D01A〜C
| 容量 | 2kN |
| ジョーフェース幅 | A: 76.2mm | B: 50.8mm | C: 25.4mm |
| 試験片使用サイズ | 厚さ 0.2~4mm |
| 最小荷重元 | 200N |
| 適用湿度 | -10~200°C |
| グリップ重量 | 1600g/個 |
| ジョーフェースタイプ | 金属格子模様 |
| 対応サンプル例 | 布類、ベルト、金属薄片、ゴム・プラスチック試験向け |
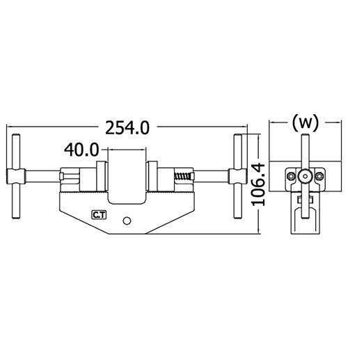
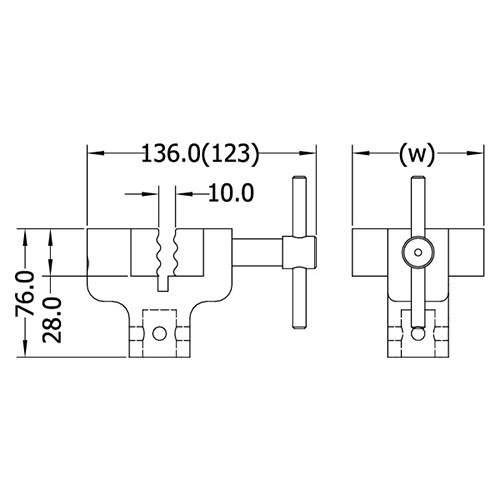
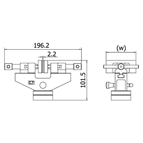
■パッドグリップ 型式:GR-D01D〜F
| 容量 | 2kN |
| ジョーフェース幅 | D: 76.2mm | E: 50.8mm | F: 25.4mm |
| 試験片使用サイズ | 厚さ 0.2~4mm |
| 最小荷重元 | 200N |
| 適用湿度 | -10~100°C |
| グリップ重量 | 1600g/個 |
| ジョーフェースタイプ | ゴムパッド |
| 対応サンプル例 | 布類、ベルト、金属薄片、ゴム・プラスチック試験片向け |
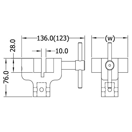
■波目グリップ 型式:GR-D01G〜I
| 容量 | 2kN |
| ジョーフェース幅 | G: 76.2mm | H: 50.8mm | I: 25.4mm |
| 試験片使用サイズ | 厚さ 0.2~4mm |
| 最小荷重元 | 200N |
| 適用湿度 | -10~200°C |
| グリップ重量 | 1600g/個 |
| ジョーフェースタイプ | 波目 |
| 対応サンプル例 | 布類、ベルトなどの試験片向け |
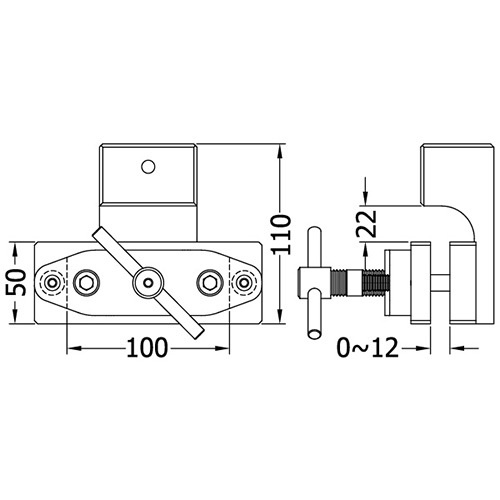
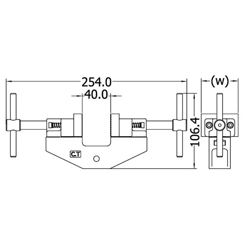
■圧縮グリップ 型式:GR-D020
| 容量 | 5kN |
| ジョーフェース幅 | 60mm |
| 試験片使用サイズ | 厚さ 0.2~4mm |
| 最小荷重元 | 200N |
| 適用湿度 | -10~100°C |
| グリップ重量 | 2200g/個 |
| ジョーフェースタイプ | |
| 対応サンプル例 | 布類、紙類、ベルト、ゴム・プラスチックなどの試験向け |
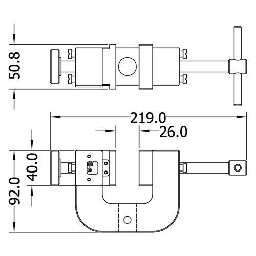
■圧縮グリップ 型式:GR-D02A
| 容量 | 10kN |
| ジョーフェース幅 | 100mm |
| 試験片使用サイズ | 厚さ 0.2~6mm |
| 最小荷重元 | 500N |
| 適用湿度 | -10~100°C |
| グリップ重量 | 3450g/個 |
| ジョーフェースタイプ | |
| 対応サンプル例 | 布類、ベルト、ゴム・プラスチック試験向け |
■圧縮グリップ 型式:GR-D030
| 容量 | 5kN |
| ジョーフェース幅 | 50.8mm |
| 試験片使用サイズ | 厚さ 0.5~25mm |
| 最小荷重元 | |
| 適用湿度 | -10~100°C |
| グリップ重量 | 2800g/個 |
| ジョーフェースタイプ | |
| 対応サンプル例 | 布ベルト、ベルト、プラスチックなどの試験片向け |
| アプリケーション | ASTM D638 プラスチック引張試験 |
■圧縮グリップ 型式:GR-D04A〜C
| 容量 | 5kN |
| ジョーフェース幅 | A: 76.2mm | B: 50.8mm | C: 25.4mm |
| 試験片使用サイズ | 厚さ 0.2~40mm |
| 最小荷重元 | 200N |
| 適用湿度 | -10~200°C |
| グリップ重量 | 1550g/個 |
| ジョーフェースタイプ | 金属格子模様 |
| 対応サンプル例 | 布類、ベルト、金属薄片、ゴム・プラスチックなどの試験片向け |
| アプリケーション | ASTM D638 プラスチック引張試験 |
■圧縮グリップ 型式:GR-D04D〜F
| 容量 | 5kN |
| ジョーフェース幅 | D: 76.2mm | E: 50.8mm | F: 25.4mm |
| 試験片使用サイズ | 厚さ 0.2~40mm |
| 最小荷重元 | 200N |
| 適用湿度 | -10~100°C |
| グリップ重量 | 1456g/個 |
| ジョーフェースタイプ | ゴムパッド |
| 対応サンプル例 | 布類、ベルト、金属薄片、ゴム・プラスチックなどの試験片向け |
| アプリケーション | ASTM D638 プラスチック引張試験 |
■両辺調節可能圧縮グリップ 型式:GR-D05A~C
| 容量 | 2kN |
| ジョーフェース幅 | A: 76.2mm | B: 50.8mm | C: 25.4mm |
| 試験片使用サイズ | 厚さ 0.2mm |
| 最小荷重元 | 200N |
| 適用湿度 | -10~200°C |
| グリップ重量 | 1540g/個 |
| ジョーフェースタイプ | 金属格子模様 |
| 対応サンプル例 | 布類、ベルト、金属薄片、ゴム・プラスチックなどの試験片向け |
| アプリケーション | ASTM D638 プラスチック引張試験 |
■両辺調節可能圧縮グリップ 型式:GR-D05D〜F
| 容量 | 2kN |
| ジョーフェース幅 | D: 76.2mm | E: 50.8mm | F: 25.4mm |
| 試験片使用サイズ | 厚さ 0.2~40mm |
| 最小荷重元 | 200N |
| 適用湿度 | 0~100°C |
| グリップ重量 | 1580g/個 |
| ジョーフェースタイプ | ゴムパッド |
| 対応サンプル例 | 布類、ベルト、金属薄片、ゴム・プラスチックなどの試験片向け |
| アプリケーション | ASTM D638 プラスチック引張試験 |
■両サイド挟みグリップ 型式:GR-D05G
| 容量 | 2kN |
| ジョーフェース幅 | 76.2mm |
| 試験片使用サイズ | 0.2 ~ 40mm |
| 最小荷重元 | 200N |
| 適用湿度 | 0~200°C |
| グリップ重量 | 1590g/個 |
| ジョーフェースタイプ | シリコン表面 |
| 対応サンプル例 | 布類、ベルト、金属片、ゴム・プラスチックなどの試験片 |
| アプリケーション | ASTM D638 プラスチック引張試験 |