万能試験機 | グリップ・治具 | カスタムシリーズ

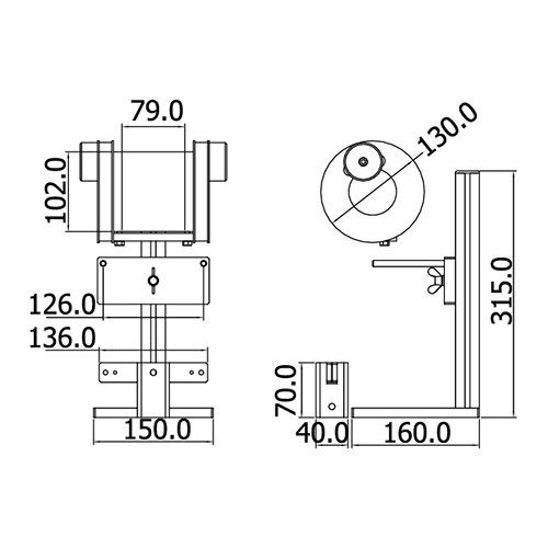
■刺しグリップ 型式:DAP1005-G010

刺しヘッド直径  Ø3.2mm
 試験片サイズ 76x76mm
 測定台直径 Ø35mm
上グリップ重量  252g
下グリップ重量  7525g
対応する試験規格 ASTM F1306
対応するサンプル例 フィルム試験片向け
サポートする標準試験 ASTM F1306  フィルム刺し試験

■タンブラー剥離グリップ 型式:D1D2001-G010

 試験片幅 76mm (3")
 試験片長さ 305mm (12")
 タンブラー重量 3463g
 下グリップ重量 936g
枠重量  1522g
対応する試験規格 ASTM D1781
対応するサンプル例 アルミハニハムコア剥離試験

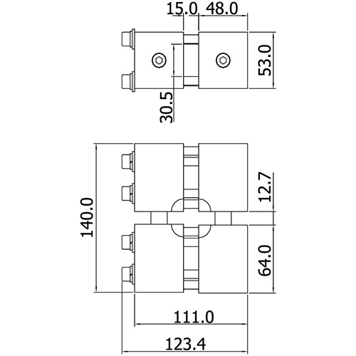
■パネル90°剥離グリップ 型式:YH-G020

挟む面積 103x100 mm
 試験片最大幅 50mm
試験片調節距離 8mm
 重量 991g
対応するサンプル例 パネル剥離試験

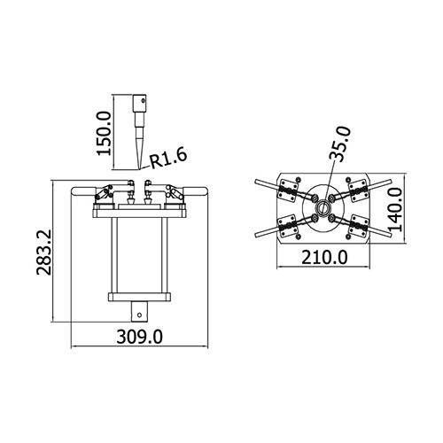
■初期粘着試験 型式:UR-G030

 試験片厚さ 5mm
測定面積  25.4x25.4mm
 上グリップ重量 2250g
 下グリップ重量 3693g
対応するサンプル例 フィルム、テープ初期粘着試験

■瓶の蓋引張グリップ 型式:DAH1001-G010

 夾頭尺寸 Ø30.5, Ø32.5, Ø39.5mm
 上グリップ重量 564g
 下グリップ重量 5686g
対応するサンプル例 瓶の蓋引張

■ワイヤー引張グリップ 型式:DAG1025-G010

 試験片最大直径 Ø 6.5mm
グリップ重量 2196g
対応するサンプル例 ワイヤー引張グリップ

■複合式加圧圧縮治具 (CLC) 型式:GY-G070

重量 538g/個
対応する試験規格 ASTM D6641
対応するサンプル例 ポリマー複合材料試験