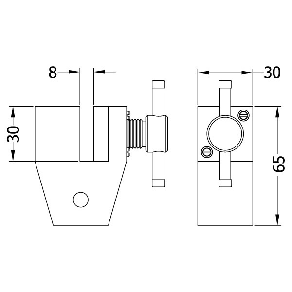
■平面グリップ 型式:GR-B010
| 容量 | 200N |
| 測定幅 | 30mm |
| 試験片使用サイズ | 厚さ 0.1~3mm |
| 最小荷重元 | 20N |
| 適用湿度 | -10~100°C |
| 重量 | 212g/個 |
| 対応する試験規格 | ASTM D1000 ASTM D3330 ASTM 3759 |
| 対応サンプル例 | テープ、フィルム試験片向け |
| アプリケーション | ASTM D1000 / D3330 テープ剥離試験 |
■円形剥離グリップ 型式:GR-B020
| 容量 | 200N |
| 測定幅 | 輪寬25.4mm |
| 試験片使用サイズ | 厚度0.1~2mm |
| 最小荷重元 | 20N |
| 適用湿度 | -10~100°C |
| 重量 | 949g/個 |
| 対応する試験規格 | ASTM D3330 |
| 対応サンプル例 | テープ、フィルム、軟質電子回路パネル試験片向け |
| アプリケーション | ASTM D1000 / D3330 テープ剥離試験 |
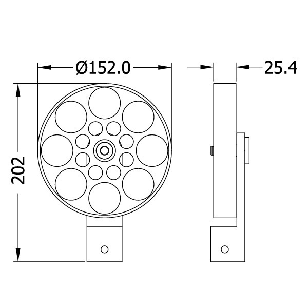
■円形剥離グリップ 型式:GR-B02A
| 容量 | 200N |
| 測定幅 | リング幅 12.7mm |
| 試験片使用サイズ | 厚さ 0.1~2mm |
| 最小荷重元 | 20N |
| 適用湿度 | -10~100°C |
| 重量 | 440g/個 |
| 対応する試験規格 | ASTM D3330 |
| 対応サンプル例 | テープ、フィルム、軟質電子回路パネル試験片向け |
| アプリケーション | ASTM D1000 / D3330 テープ剥離試験 |
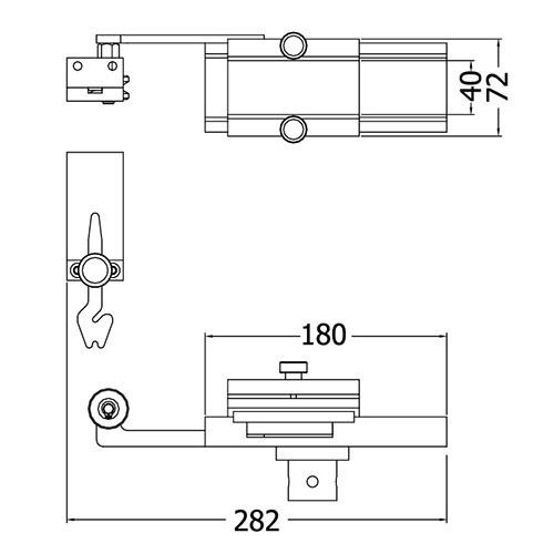
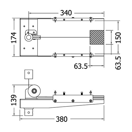
■テープ巻き戻しグリップ 型式:GR-B02B
| 容量 | 500N |
| 測定幅 | リング幅 5mm |
| 試験片適用サイズ | 厚さ 0.1~3mm |
| 最小荷重元 | |
| 適用湿度 | -10~100°C |
| 重量 | 1889g/個 |
| 対応する試験規格 | ASTM D3330 |
| 対応サンプル例 | テープ業、フィルム試験片 |
| アプリケーション | ASTM D1000 / D3330 テープ剥離試験 |
■90°剥離グリップ 型式:GR-B040
| 容量 | 200N |
| 測定幅 | 32mm |
| 試験片適用サイズ | 厚さ 0.01~2mm |
| 最小荷重元 | 20N |
| 適用湿度 | -10~100°C |
| 重量 | 1992g/個 |
| 測定角度 | 90° |
| 対応する試験規格 | ASTM D3330 |
| 対応サンプル例 | テープ業、硬軟式電子回路パネル試験向け |
| アプリケーション | ASTM D1000 / D3330 テープ剥離試験 |
■90°剥離グリップ 型式:GR-B050
| 容量 | 200N |
| 測定幅 | 5~10mm |
| 試験片適用サイズ | 厚さ 0.01~3mm |
| 最小荷重元 | 20N |
| 適用湿度 | 0~100°C |
| 重量 | 2200g/個 |
| 測定角度 | 90° |
| 対応する試験規格 | ASTM D3330 |
| 対応サンプル例 | テープ業、硬軟式電子回路パネル試験向け |
| アプリケーション | ASTM D1000 / D3330 テープ剥離試験 |
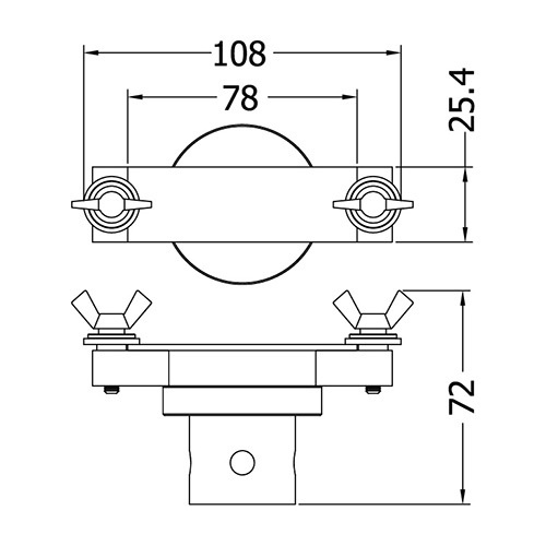
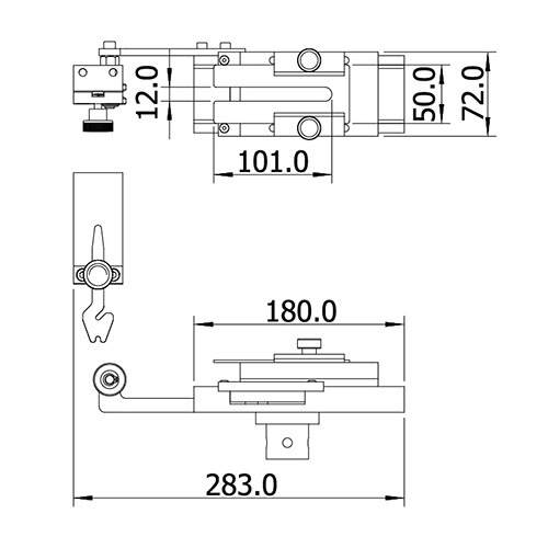
■T型剥離グリップ 型式:GR-B110
| 容量 | 200N |
| 測定幅 | 25.4mm |
| 試験片適用サイズ | 厚さ 0.01~3mm |
| 最小荷重元 | 20N |
| 適用湿度 | 0~100°C |
| 重量 | 575g/個 |
| 対応サンプル例 | テープ業 |
| アプリケーション | ASTM D1000 / D3330 テープ剥離試験 |
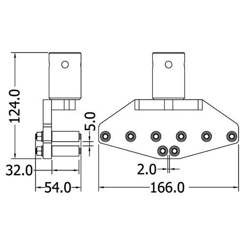
■ローラー剥離グリップ 型式:GR-B140
| 容量 | 200N |
| 測定幅 | 5~30mm |
| 試験片適用サイズ | 厚さ 0.1~1.5mm |
| 最小荷重元 | 20N |
| 適用湿度 | 0~100°C |
| 重量 | 927g/個 |
| 測定角度 | 90° |
| 対応サンプル例 | テープ、硬式電子回路パネル試験向け |
| アプリケーション | ASTM D1000 / D3330 テープ剥離試験 |
■摩擦力グリップ 型式:GR-B210
| 容量 | 100N |
| 測定幅 | 150mm |
| 試験片適用サイズ | 厚さ 0.1~4mm |
| 最小荷重元 | 10N |
| 適用湿度 | 0~100°C |
| 重量 | 4113g/個 |
| 対応する試験規格 | ASTM D1894 |
| 対応サンプル例 | 紙、ゴム、プラスチックフィルムなどの試験向け |
| アプリケーション |
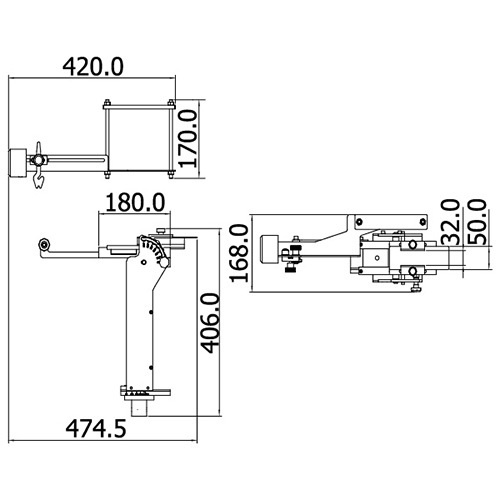
■多角度剥離グリップ 型式:GR-B230
| 容量 | 200N |
| 測定幅 | 30mm |
| 試験片適用サイズ | 厚さ 0.01~3mm |
| 最小荷重元 | 20N |
| 適用湿度 | -10~100°C |
| 重量 | 6067g/個 |
| 測定角度 | 90°~180° |
| 対応する試験規格 | ASTM D1000 ASTM D1000 ASTM D3330 |
| 対応サンプル例 | テープ業 |
| アプリケーション | ASTM D1000 / D3330 テープ剥離試験 |